Die Sache mit der Motorsteuerung
Der Motor eines UNO 70 lief schlecht und ging im unteren Drehzahlbereich aus.
Nachdem ich einige Tage auf der Suche nach dem Fehler war, hab ich mich mal etwas intensiver mit der Bosch Monojetronic etc. auseinander gesetzt.Mit der Zeit habe ich weitere Störungen erkannt und werde diesen Faden dementsprechend aktualisieren.
Da es noch nichts bebildertes in den Foren gab, hab ich etwas Erläuterndes erstellt.
Hier das montierte Aggregat mit Erläuterungen :
Und so ohne Nadel und die Gummidichtung für den Benzindruck:
Hier der Grund warum der UNO 70 im Bereich zwischen 2000 und 3000 U/min so schlecht lief. Die Leiterbahn ist in diesem häufig genutzten Bereich total verschlissen. Daher bekam des Steuergerät falsche oder gar keine Werte und schaltete kurzfristig ab.
Nochmal die Drosselklappe von unten:
Die Einspritzanlagen gibt es in verschiedenen Fertigungsvarianten. Mal ist sie mit Innensechskant- oder Sechkantschrauben mit der Ansaugbrücke verbunden. Die Luftfilterhalterung ist mit Gewinde oder mal mit Bolzen versehen. Die Bauteile sind mit TORX Schrauben 20 und 25 geschraubt und einfach zu wechseln. Die Schrauben sind aber mit Plastikkappen verplombt. Das ganze Teil ist eigentlich echt simpel. Die Stellgrößen macht die Elektronik. Ärger machen oft defekte Potis, Leerlaufstellmotoren und oxidierte Steckverbindungen.( Danke für Eure Tipps ) Die Folgen sind verheerend.Ohne die entsprechenden Werte steuert die Motorsteuerung falsch an.
An dem braunen Stecker ist auch noch das Kabel für die Lufttemperaturmessung ( Sensor )
Der dünnere Schlauchanschluß vom Kurbelgehäuse war bei mir mir Ruß/Öl verstopft.Krass, wenn man bedenkt das eigentlich alles hochrein ist, aber dann der Rotz aus dem Kurbelgehäuse direkt in den Ansaugtrakt geht.Die Dichtungen zwischen den einzelnen Segmenten kosten nur ein paar EUR.
Weiter Komponenten der Motorsteuerung und Fehlerursachen
OT-Sensor
Der Sensor für den Oberen Totpunkt der Kolben sitzt beim UNO 75 am Kurbelwellenrad, beim UNO 70 an der Schwungscheibe.Er muss exakt positioniert sein.Die Fotos sind vom UNO 70. Beim UNO
Der OT-Sensor am UNO 70
LAMBDA-Sonde
Das einadrige Kabel geht zur Sonde, dass doppeladrige Kabel, mit dem Bügelstecker, geht zur Lambda-Heizung.Wir haben die Sonde getestet indem ich die Bremse gedrückt hab und mein Kollege dabei die Spannungsschwankungen gemessen hat. Ein gesunder Spannungswert der Sonde liegt zwischen 100 und 800 mV gegen Masse. Bei 200-600 mV schwächelt das Teil. Bei abgezogenem Stecker , gegen Masse gelegt, stellt die Motorsteuerung einen Mittelwert ein.
Das hat keine schwerwiegenden Konsequenzen für den Motor, er läuft weiter so wie mit angeschlossener Sonde.
Ist die LAMDA Sonde defekt, steigt auch der Verbrauch,weil dann der Luftmengenbeiwert nicht mehr stimmt und das Gemisch zu fett werden kann.
Batterie
Vor allem im Winter kann eine schwache Batterie dazu führen, dass die Motorsteuerung aussteigt. Das zeigt sich z.B. beim Lichteinschalten und führt dazu,dass die Drehzahl abfällt und der Motor nicht mehr sauber über das gesamte Drehzahlband läuft. Ferner kann dann die Kraftstoffpumpe keinen ausreichenden Druck mehr aufbauen. Also muss die Batterie bei der Fehlersuche mit einbezogen werden !
Magnetventil der Kraftstoffdampfrückführung
An meinem UNO Suite hatte ich ein unerklärliches Phänomen.Nach einigen Minuten ging der Motor plötzlich schlagartig aus.
Da das immer wieder genau so passierte, musste es ein Fehler sein der sich langsam aufbaut. Ich dachte erst an einen Fehler
bei der Kraftstoffzufuhr. Dann ging ich der Sache auf den Grund. Ich ließ den Motor im Stand laufen. Wieder ging er nach
einigen Minuten schlagartig aus. Zufällig fasste ich das Magnetventil der Kraftstoffdampfrückführung an.
Es war warm ! Ich nahm ein anderes Ventil und ließ den Motor wieder laufen. Diesmal passierte nichts.
Die Motorsteuerung führt dem Motor einige Zeit nach dem Motorstart den Kraftstoffdampf zu. Dazu wird das Magnetventil
geöffnet. Das defekte Ventil verursachte durch den hohen Strom des sich aufheizenden Ventils das Abschalten der Motorsteuerung.
Steckverbindungen
Das Motorsteuergerät ist im Beifahrerfußraum, radseitig, hinter dem Teppich befestigt.
Durch eine Undichtigkeit der Gummidichtung kann Feuchtigkeit in den Stecker eindringen.
Lasche der Masseverbindung im Stecker ist dann oft oxidiert!
Das Ganze überprüft man folgendermaßen:
Den Stecker vom Steuergerät im Beifahrerfußraum lösen.
Dazu die Metalllasche an der einen Seite anheben und den Stecker über die andere Seite abklappen und aushaken.
Kontakte auf Oxidation prüfen.Ggf.mit Kontaktspray reinigen,säubern.
Material: K 60 Spray und Glasfaserstift.
Dies gilt auch für alle anderen Steckverbindungen.
Und das hier ist der absolute Extremfall !!!
Beim Öffnen des Steckers kam mir das grüne Kabel ( POS. 13, Masse ) entgegen. Es ist direkt mit der Einspritzdüse verbunden.
Kein Wunder, dass trotz Spannung an dem blauen Kabel der Einspritzdüse
( Kommt vom Kraftstoffpumpenrelais ) der Motor nicht ansprang.
Das ist ein sehr häufiger Massefehler wenn der Motor nicht mehr läuft. Entweder die Steckverbindung ist oxidiert oder,
wie in diesem Fall " abgegammelt " .
Schlauchverbindungen
Die Schläuche werden über die Jahrzehnte hart und rissig. Vor allem an den Enden.
Manchmal kann man einen halben Zentimeter abschneiden und wieder aufstecken.
Ansonsten müssen die Schläuche getauscht werden. Der Schlauch auf dem Foto
ist für die Zündsteuerung wichtig. Er gibt Ihr die Werte des Unterdrucks.
Daher muss er absolut dicht sein, ansonsten verliert ihr Leistung und der Verbrauch steigt.
Motor-Steuergerät zurücksetzen und auf Motor einlernen
BOSCH SPI ( Monojetroic), Monomotronik und IAW P8 Steuergerät.
Wenn der Motor schlecht läuft, oder und wenn Bauteile getauscht wurden,sollte man das Motor-Steuergerät zurücksetzen.
Dazu sollten aber alle Verschleißteile wie Luftfilter, Zündkerzen, Verteiler, Schläuche in Ordnung sein !
Man will die Motorsteuerung ja nicht auf schlechte Komponenten einlernen.
So geht´s:
1. Motor warmlaufen lassen, bis der Lüfter mindestens 2x geschaltet hat.( Wenn er denn noch läuft )
2. Batterie abklemmen und Pluspol auf den Minuspol halten und 15min warten.
3. Alles wieder zusammenbauen.
4. Alle Verbraucher ausschalten.
5. Motor starten ohne Gas zu geben. Wichtig ! Solange starten, bis der Motor anspringt. Sollte einmal der Schlüssel zurückgedreht werden, muss von vorne angefangen werden.
6. Mindestens 5min im Leerlauf laufen lassen ohne Gas zu geben.
7. 80% aller Fehler bei der Bosch SPI und Monomotronik sind behoben.
Motorsteuergerät, Fehlerspeicher auslesen
Die Motorsteuergerät von Bosch haben einen Diagnosestecker, der über Impulse einen Fehlercode ausgibt.
Der Dreifachstecker hängt in der Nähe des Steuergerätes im Beifahrer-Fußraum. Man kann behelfsweise eine LED anklemmen. Die LED muss mit einem Vorwiderstand von 1k Ohm mit 12V und dem weiß-roten Kabel des Diagnosesteckers verbunden werden. Leuchtet die LED bei laufendem Motor, ist etwas im Fehlerspeicher. (Bei Modellen ab 1992 bzw. teilweise ab Mitte 1992 wird ein Fehler des Steuergerätes auch im Armaturenbrett durch Leuchten der Einspritzsystemdiagnoselampe angezeigt).
Brückt man, bei laufendem Motor am Diagnosestecker , für 5 Sekunden weis-rot mit schwarz, wird die Ausgabe des Fehlerspeichers eingeleitet. Die LED blinkt dann x*4 um insgesamt einen 4 stelligen Code auszugeben. Zwischen den Blinkintervallen ist eine Pause von 2 Sekunden.
Schlüssel:
0000
Anfang/Ende Fehlerspeicherauslesung
1111
Unbekannter defekt des Steuergerätes
1232
Drosselklappenstellung (Motor defekt, Drosselklappenpoti defekt)
2121
Kein Signal von Drosselklappenpoti, Drosselklappenschalter (Kurzschluss, Verkabelung etc.)
2122
Kein Drehzahlsignal (Hallgeber, Zündmodul etc.). Diesen Fehler liegt in der Digiplex Zündsteuerung.
2212
Kein Signal von Drosselklappenpoti (Kurzschluss, Verkabelung etc.)
2312
Kein Signal Temperatursensor Kühlmittel
2322
Kein Signal vom Temperatursensor Einspritzanlage
2341
Lambda-Regelung; Grenzwerte überschritten, defekt der Lambda-Sonde, Falschluft, Einspritzung oder Zündung.
2342
Kein Signal von der Lambda-Sonde
2343
Ursache siehe 2341
4431
Ursache siehe 1232
4444
Kein Fehler im Fehlerspeicher
Fehlerspeicher der Monojetronic löschen:
Diagnosestecker für min. 15 sek. bei eingeschalteter Zündung brücken (Schwarz mit weiß-rot).
Vielen Dank an rAcHe kLoS aus Fulda!
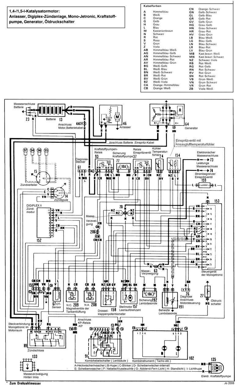
Schaltplan Motorsteuerung
Hier noch der kommentierte Motorschaltplan:
Und eine Info zur besseren Identifikation der Kabel:
Ich hoffe Euch damit helfen zu können und wünsch Euch viel Erfolg beim Schrauben. ![]()