Benzinpumpe beim Turbo ?

  • Hallo

    Weiss einer was die Benzinpumpe beim Uno Turbo 1,3 / 1,4 an Druck macht ?

    Gruss Ragman

    Not fast but furious :D

  • 3bar im Leerlauf und 3,8 bei Vollast, jedenfalls laut meiner anzeige, achso bei mir is alles original

  • nu ja oder meinen Druckregler wurde etwas auf die Sprünge geholfen vor meiner zeit!

  • ihr seit helden!! das ist das was eier benziendruck regler macht!!! :D
    wenn ihr einen einstellbaren regler einbaut bingt die pumpe auch mehr!!! :D
    ich glaube mal gehört zu haben das sie 8-10 bar bringen kann,aber wie gesagt das ist eh alles von druckregler abhängig!!! :D

    Wissen ist Macht - nix Wissen macht au nix!!!!!

  • meine Anzeige hängt aber im Kreislauf aber bevor es zum regler geht!
    somit ist mir der regler egal, davon abgesehen hab ich nur den orig verbaut!
    keinen einstellbaren

    außerdem bringt die Turbopumpe max 5 bar meines Wissens! oder?? ?(

  • ja 5 bar permanent, obwohl sie da schon so richtig ins kotzen kommt. habs letztes jahr kurz mit 3 originalpumpen getestet. kurzzeitig 11bar :D:D aber ein paar sekunden dann steht sie... macht aber schon bei 5bar üble surrgeräusche. 4 -4.5 hält sie problemlos aus.

    :D Gut Ding will Weile haben.

  • du hast das richtig erkannt es geht darum was die pumpe bringen kann!!!
    steht ja oben.die punpe kann ja auch nicht mehr fördern als was ihr der regler zugesteht!!! :D

    kann aber sein das du mit 5 bar recht hast!!
    habe ja die tauchpumpe von punto gt drin!!! :D

    Wissen ist Macht - nix Wissen macht au nix!!!!!

  • Zitat

    Original von Acki
    Förderleistung nicht vergessen :) Die sinkt bei steigendem Druck.


    :bremse:

    :D

    aber halt das wichtigste. nur den druck hochschrauben reicht ab ner gewissen leistung halt nicht mehr. wird leider zu oft vergessen zu beachten.

  • dafür gibt es ja dann die zusätzlichen ventiele!!!! :D
    wenn ich da an ralfs uno denke!! der hat jetzt 9 einspritzventiele für benzin und 4 für wasser drin!!! :D

    Wissen ist Macht - nix Wissen macht au nix!!!!!

  • Hatte nur im Netz gelesen das es Pumpen gibt die 7 bar brinngen und mir dabei gedacht die könnte ich ja in meinen einbauen wegen dem höheren Ladedruck . Aber wenn der Regler den Druck auf 3 bar senkt nützt das ja auch nicht . Hatte ich vergessen .

    Gruss Ragman

    Not fast but furious :D

  • Hi

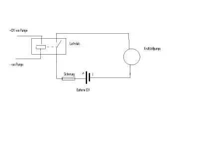
    und mit einer größeren Pumpe sollte man auch an deren Verkabelung denken.
    (Habe mal bei mir gemesen, bei laufendem Motor stehen 12,5V an, an der Batterie warens 13,7V)

    wers gut meint, über ein extra Relais.

    am einfachsten wenn die Batterie im Kofferraum sitzt :D

    Gruß Roland

  • Die Pumpe wird doch schon über ein Relais geschaltet.
    Ich meine, das brauch man nicht unbedingt...
    Ich hab bei mir auch ne Audipumpe drinn, die ist genau so gross, wie die Originale... Warum sollte die dann soviel mehr Strom aufnehmen??


    .

    ich-logo486x59.jpg
    avatar.jpg

  • Hi


    trotzdem sind da nur max 1mm³ Kabel dran.

    Dann doch lieber min.2,5mm³ per Relais schalten, und sicher sein dass da kaum Verlust in der Leitung ist.


    Weil zum Benzindruck(Grunddruck) kommt nochmal der Ladedruck dazu....da sind manche dann schnell bei 4,5bar....wenns noch n progressiver Regler ist teilw. noch mehr.

    und wenn dann der Motor obenrum abmagert(z.B. Aufgrund Spannungsabfall in der Leitung, weil die Pumpe endlich mal richtig Strom zieht) wird weiter am Regler gedreht, und die Pumpe zieht noch mehr Strom, und die Spannung fällt noch weiter ab....

    ein Teufelskreis :D


    Gruß Roland

  • Zitat

    Original von X-Men
    ... Warum sollte die dann soviel mehr Strom aufnehmen??


    .

    ganz einfach, weil mehr druck auch mehr stromaufnahme bedeutet.

    cinqueturbo macht das schon recht...ich habs mal getestet, bei ca. 8 bar brennts dir sogar die originale sicherung durch.(bin nicht mehr sicher ob 10 oder 15 A ) die original verkabelung ist auch nicht grad überdimensioniert und bei nur 12v hat man halt einen recht grossen spannungsabfall.

    :D Gut Ding will Weile haben.